


Offering a 126′ 6″ (38.56m) horizontal reach, the TB 130 telebelt features a five-section boom and a fully hydraulic conveyor capable of handling concrete slumps from 0″ to 12″ (0mm to 305mm) and materials from sand to 4″ (100mm) rock. Strong yet lightweight and easy to control, the unit features quick setup using its patented outrigger design. The TB 130 also operates in ceiling heights as low as 15′ 4″ (4.70m).
Specifications
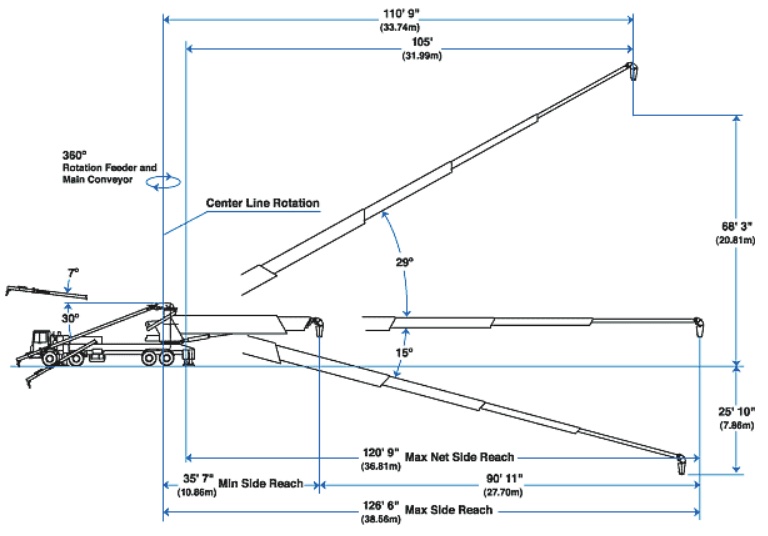
| Conveyor horizontal reach: maximum at 0° | 126’ 6″ | 38.56m |
| Conveyor horizontal reach: maximum at 29° | 110’ 9″ | 33.74m |
| Conveyor belt width | 18″ | 457mm |
| Feed conveyor length | 38’ | 11.60m |
| Feed conveyor belt width | 18″ | 457mm |
| Trunk/end hose length | 15’ | 4.57m |
| Discharge height from grade: maximum at 29° | 68’ 3″ | 20.81m |
| Discharge height from grade: maximum at -15° | -25’ 10″ | -7.86m |
| Rated capacity at 0° | 6 yd³/min | 4.60m³/hr |
| Rated capacity at 0°: main and feed conveyors | 360 yd³/hr | 275m³/hr |
| Rated capacity up to -20° | 3.80 yd³/hr | 2.90m³/hr |
| Rated capacity up to -20°: main and feed conveyors | 230 yd³/hr | 175m³/hr |
Boom Reaches
| Net reach beyond outriggers at 0° | 120′ 9″ | 36.81m |
| Net reach beyond outriggers at 29° | 105′ | 31.99m |
| Outrigger spread: front, telescopic out/down | 27′ 9″ | 8.46m |
| Outrigger spread: rear, telescopic out/down | 29′ | 8.84m |
Range Diagram

Operation Zone

Putzmeister Hopper Options
Putzmeister Telebelts offer six hopper options to fit your specific job needs. In addition to the standard folding hopper, five other options are available.
Standard Folding Hopper
- Ideal for concrete placement.
- Facilitates easy setup.
- Side panels fold into feed conveyor and end panels connect with linchpins.
- Easy access for ready mix trucks from three sides of hopper.


Rock Hopper
- Place tough materials with large loaders.
- Large, 3 cubic yard capacity and wide 72 inch by 120 inch top opening and adjustable legs.
- Combine the rock hopper with a low profile hopper for even greater efficiency.
- Recommended for use with low profile hopper or side loading channels.


Rock Hopper Steel Grate Option
- Easily added to the standard rock hopper.
- Prevents the introduction of oversized material into the hopper.
- Adjustable angle of the grate allows oversized material to slide off the grate and does not restrict volume.


Front-end Loader Hopper
- Ideal for concrete placement.
- Facilitates easy setup.
- Side panels fold into feed conveyor and end panels connect with linchpins.
- Easy access for ready mix trucks from three sides of hopper.


Low Profile Hopper
- Combine the low profile hopper with the rock hopper or soil hopper – your ideal choice for jobs that require high output using large loaders.
- 8-inch capacity above rails.
- Aluminum hopper for use with dump trucks equipped with coal chute doors.


Side Loading Channels
- Highly resistant to impact.
- 3.5 feet of extra hopper length to guide material on belt.
- No front gate panel restriction.
- Side loading channels are strongly recommended when using a rock hopper.



